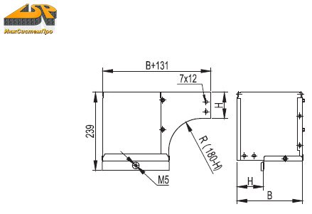
Угол вертикальный внешний CDSD 90

Угол вертикальный внешний CDSD 90

Материал:

Сталь, оцинкованная по методу Сендзимира.


По заказу:

Порошковая окраска в любой цвет RAL.

Горячее цинкование погружением после изготовления.

Нержавеющая сталь(INOX).

Цинк-ламельное покрытие.


Примечание:

Применяется при необходимости поворота трассы лотков вниз на 90*, при этом разворачивая открытую часть лотка вокруг своей оси на 90*.

Для содержимого этой страницы требуется более новая версия Adobe Flash Player.

Получить проигрыватель Adobe Flash Player



Похожие товары

Крышка на прямой элемент
Угол горизонтальный CPO90
Крышка к углу горизонтальному CPO 90
Угол горизонтальный CPO 45

Возврат к списку